For full functionality of this site it is necessary to enable JavaScript.
EMIN.ASIA
0
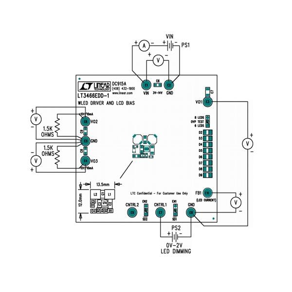
Analog Devices DC915A Demonstration Boards LT3466EDD-1/ WLED Driver and LCD Bias | EMIN.ASIA