Get exclusive volume discounts, bulk pricing updates, and new product alerts delivered directly to your inbox.
By subscribing, you agree to our Terms of Service and Privacy Policy.
Direct access to our certified experts
Get exclusive volume discounts, bulk pricing updates, and new product alerts delivered directly to your inbox.
By subscribing, you agree to our Terms of Service and Privacy Policy.
Direct access to our certified experts
Application: Filling processes
Process Medium:
Hydraulic fluids, glycol, grease
Lubricating
Medium/high viscosityy
Attributes:
Stainless steel body
Stainless steel ball bearing
Bigger tolerances
Technical Data – Sizes
Measuring Range (l/min): 4 to 400
K-Factor (pulses/l): 214
Max. Pressure (bar/psi): 200 [2,900]
Frequency (Hz): 14 to 1,450
Weight (kg): 34
Technical Data – General
Measuring Accuracy: Default: ±0.5 %; Premium: ±0.25 %
Repeatability: ±0.05 % (under the same conditions)
Materials
Housing: as per DIN 1.4305 [AISI 303]
Gears: as per DIN 1.4122
Bearing: ball bearing
Thread: BSPP
Sensor Ports: M14x1.5
Seals: FKM
Medium Temperature: -40 °C up to +180 °C [-40 °F up to +356 °F] (others on request)
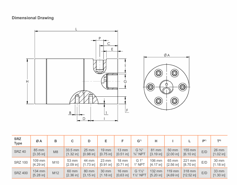
Dimensions: See dimensional drawing (In details)
See datasheet for choosing suitable configurations!
